Опис
Інформація для замовлення
Командоконтролер ККП-1130 реалізовує керування змінним електричним сигналом і запуску з відстані пристроїв в електроприводах, що працюють із крановим обладнанням. Цей контролер містить 6 електричних ланцюгів і в ньому реалізована схема: 2-0-2. Пристрій захищений від пошкоджень корпусом і кришкою зі сплаву алюмінію.
Технічні характеристики:
По змінному струмі:
- Напруга: 500 вольтів;
- Струм: 50 Амперів;
- Частота: 60 Герц.
За постійним струмом:
- Напруга: 440 вольтів;
- Струм: 25 Амперів;
Інші:
- Кліматичне виготовлення: У2, Т2, УХЛ2;
- Комутаційна зносостійкість: 1 000 000;
- Механічна зносостійкість: 10 000 000;
- Вага: 9 кілограмів.
Конструктивне виготовлення:
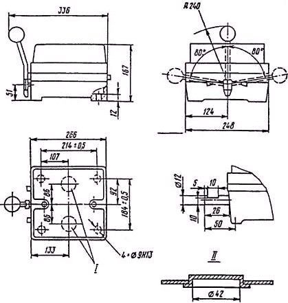
Має вигляд ящика, з ручкою розміщеною по центру, у корпусі встановлений барабан кулачкового типу та група контактів із заданою схемою розмикання й замикання силових контактів, за певних положеннях ручки.
Розшифрування структури умовного позначення:
- ККП — контролер кулачкового типу, для роботи з постійним струмом;
- 1 — серійний номер пристрою;
- 1 — виготовлення ручки нормальне, фіксується в кожному з положень;
- 30 — порядковий номер виготовлення схеми.
Приєднувальні та габаритні розміри:

Придбати командоконтролер ККП-1130 можна зв'язавшись із нами, або оформивши замовлення на сайті.
- Ціна: Ціну уточнюйте

