Опис
Інформація для замовлення
Тиристор ТБІ243
Переваги тиристорів ТБІ:
- низькі динамічні втрати;
- малий заряд зворотного відновлення;
- висока навантаження;
- Розгалужений керівний електрод забезпечує високі швидкості наростання струму.

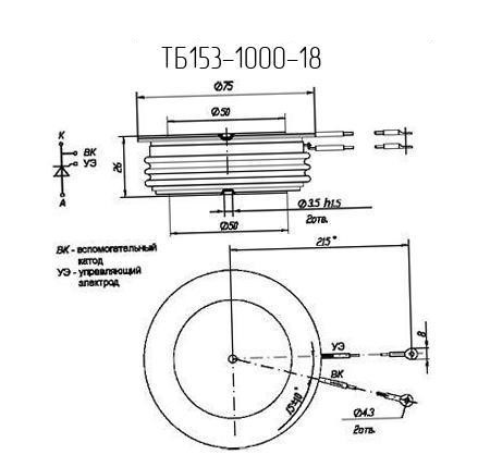
Тиристор виготовлений у формі таблетки, являє собою герметичний металостекований корпус у металокерамічній оболонці, з притискними контактами та мідними електродами. Прокладки зі срібла, спеціальне кремнієве покриття й оброблення поверхонь знижують електричний і тепловий опір приладів. Корпус тиристора наповнюється інертним газом, який забезпечує стабільність електричних параметрів під час роботи пристрою.
У нас ви можете придбати такі різновиди тиристорів:
- ТБІ243-400;
- ТБІ243-630.
Напівпровідники цього типу використовуються в:
- перетворювачів електричних приводів низької потужності;
- схемах керування однофазними побутовими електродвигунами;
- перетворювачів індуктивних нагрівачів;
- електросварці;
- електроприводах для транспорту та промисловості високої потужності;
- електричних безперебійників.
Електричні характеристики:
- середня величина прямого тока: 400, 630А;
- імпульсна напруга, що повторюється: 2000-2200В з кроком 200 В;
- клас за повторюваною напругою: 20-22;
- час, що витрачається на вимкнення — 40 мкс;
- маса: 0,28кг.
Роз'язування структурного позначення:
- ТБІ — швидкодійні імпульсні тирисатори;
- 2 - номер модифікації;
- 4 - діаметр корпусу;
- 3 — конструктивне вироблення корпусу;
- 400, 630 - середнє значення прямого струму, (А).
До цього пристрою підходять такі різновиди охолоджувачів:
- О143;
- Про243;
- О343.
Купити швидкодійний імпульсний тиристор у нашого підприємства, можливо, або самовозом з офісу в Дніпропетруванні, або доставкою кур'єрською службою на всій території України.
- Ціна: Ціну уточнюйте

