Опис
Характеристики
Інформація для замовлення
Пускач в корпусі ПМК-12 (IP 54)
Пускач двигуна ПМК-12 380 (В) виробництва "АсКо-УкрЕМ" являє собою низьковольтне електромагнітне пристрій, який призначений для роботи в стаціонарних установках, а саме:
- дистанційного пуску;
- зупинки;
- захисту від перевантажень;
- реверсування;
- забезпечення безперервної роботи електродвигуна.
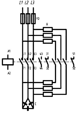
Електрична схема магнітного пускача ПМК-12:

У комплектацію пускача входить:
- група дод. контактів;
- плавкі запобіжники;
- теплове реле.
Технічні характеристики пускачів ПМК 09:
- Рівень захисту - IP54;
- Номінальний струм - 12 (А);
- Номінальна потужність при напрузі 220 (В) - 3 (кВт), при 380 (В) - 5,5 (кВт)
Відповідність стандартам:
- ДСТУ IEC 60947-4-1:2009;
- ДСТУ IEC 60947-5-1:2007.
Структура умовного позначення:
- ПМК - серія контактора в оболонці;
- 12 - номінальний струм.
Купити пускачі електромагнітні ПМК-12 можливо зі складу в Дніпропетровську, або доставкою будь-якими транспортними службами по всій території України.
| Основні | |
|---|---|
| Виробник | АСКО-УКРЕМ |
| Країна виробник | Україна |
| Номінальний струм | 12 А |
| Частота струму | 50 Гц |
| Тип керуючого струму | Змінний |
| Максимальна потужність | 5.5 кВт |
| Ступінь захисту IP | 54 |
| Номінальна робоча напруга | 400 В |
| Користувальницькі характеристики | |
| Номінальна напруга ізоляції | 660 А |
- Ціна: Ціну уточнюйте


Відправка з 27 листопада 2025